PRODUCT
SPP型不銹鋼化工混流泵實拍視頻:
SPP型化工混流泵葉輪實拍視頻:
一、概述
SPP混流泵是介于離心泵和軸流泵之間的一種泵,又稱斜流泵。適用于化工流程中強制循環、海水養殖、城市煤氣工程、水處理系統。SPP泵能夠經濟有效地輸送大流量、低揚程的、純凈的或含有一定顆粒的,化學中性的或有腐蝕性的液體(強腐蝕性液體需說明)。SPP化工泵性能高、能耗小,泵在整個機能范圍內的能耗平均,可以在閉閥下啟動,而電機不至過載,過流截面大,不易堵塞,結構緊固,使用壽命長。
二、SPP混流泵與離心泵、軸流泵的區別
1.從流量、揚程來比較
SPP混流泵的流量比離心泵大,比軸流泵?。?/span>
SPP混流泵的揚程比軸流泵高,比離心泵??;
SPP的流量從每小時數百噸到數千噸不等,揚程從5米到20米左右。
2.從液體流出方式來比較
當電動機帶動葉輪旋轉后,SPP既能產生離心力,也能產生軸向推力,是離心泵和軸流泵的綜合。離心泵葉輪旋轉只有離心力,軸流泵葉輪旋轉只有軸向推力。
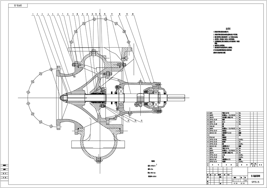
三、混流泵的結構

特點:
混流泵是一種"拉出"式結構泵,在檢查和拆卸葉輪和軸封時,毋須將與泵體相連接的管路拆開。
裝有精密加工的泵軸,裝有稀油潤滑的軸承,在填料函蓋中裝有防護軸套。
軸承箱的油位,可由恒位油杯來控制。
泵體的支腳,可承受來自管路的任何載荷,并直接傳遞給基礎。這樣,轉子不會因為泵承受受載荷而產生彎曲,從而保證軸承的使用壽命。
由于較大的過流面積,從而減少阻塞。
泵的旋轉方向,從驅動端看,為順時針方向。 動力驅動可采用電動機或內燃機。 泵裝置上可以配備完整的放氣裝置,有利于吸入管路的排氣。
四、性能參數
泵性號 | 葉輪 | 葉輪 | 流量 | 揚程 | 汽蝕余量 | 電機型號及功率(KW) | |||||
輸送介質密度(kg/m3) | |||||||||||
1000 | 1350 | 1840 | |||||||||
SPP17 1/2-20 | A | 236 | 360 | 8.5 | 3.2 | 15 | 160L | 18.5 | 180M | 32 | 180L |
SPP20-25 | A | 270 | 530 | 11.2 | 4 | 22 | 180L | 30 | 200L |
|
|
SPP20-25 | A | 270 | 350 | 5 | 4 | 7.5 | 160M | 11 | 160L | 15 | 180L |
SPP221/2-25 | A | 304 | 700 | 15.8 | 5 | 45 | 225M | 55 | 250M | 75 | 280S |
SPP25-25 | A | 338 | 900 | 24 | 6 | 90 | 280M | 110 | 315S |
|
|
SPP25-30 | A | 317 | 1100 | 19.5 | 6.4 | 90 | 280M | 110 | 315S |
|
|
SPP25-30 | A | 338 | 750 | 8.5 | 4.7 | 30 | 225M | 37 | 250M | 45 | 280S |
SPP30-35 | A | 405 | 1300 | 12.2 | 4.4 | 75 | 315S | 75 | 315S | 110 | 315M2 |
SPP35-35 | A | 472 | 1600 | 21 | 5.2 | 132 | 315M3 | 160 | 355S2 |
|
|
SPP35-40 | A | 472 | 2000 | 17 | 6 | 132 | 315M3 | 160 | 355S2 |
|
|
SPP35-40 | A | 472 | 1500 | 9.6 | 4 | 55 | 315S | 75 | 315M1 | 110 | 315M3 |
SPP40-40 | A | 540 | 2400 | 28 | 7 | 250 | 355L |
|
|
|
|
SPP40-45 | A | 540 | 3200 | 20.6 | 8 | 250 | 355L |
|
| ||
SPP40-45 | A | 540 | 2400 | 11.6 | 6 | 110 | 315M3 | 132 | 355S2 | 185 | 355M |
SPP45-50 | A | 608 | 3300 | 15.8 | 5.2 | 185 | 355M |
|
|
|
|
SPP45-50 | A | 608 | 2600 | 10 | 3.4 | 90 | 355S2 | 132 | 355M |
|
|
SPP50-50 | A | 675 | 3700 | 24 | 5 |
|
|
|
| ||
SPP50-55 | A | 675 | 4500 | 20 | 5.5 |
|
| ||||
SPP50-55 | A | 675 | 3600 | 12.6 | 3.8 | 160 | 355L |
|
|
|
|
SPP55-60 | A | 742 | 4800 | 15 | 5.2 |
|
| ||||
SPP55-60 | A | 742 | 3900 | 10.5 | 3.5 | ||||||
SPP60-60 | A | 810 | 5200 | 21.5 | 5.6 | 注:1、訂貨時。泵名稱由泵型號和葉輪代 | |||||
SPP60-65 | A | 810 | 6200 | 17 | 6.2 | ||||||
SPP60-65 | A | 810 | 5200 | 11.5 | 4.3 | ||||||
五、產品實拍及使用現場











上一篇:FJX型蒸發循環泵
下一篇:FJX型蒸發循環泵(彎管式)
為您提供耐腐耐磨砂漿泵,工程塑料泵,蒸發循環泵等方面的專屬解決方案