PRODUCT
300WFB型無密封自控自吸泵出廠檢測實拍視頻:
無密封自控自吸泵待發貨實拍視頻:
一、概述
WFB系列無密封自控自吸泵,是填補國內空白的首創產品,該產品具有耐溫耐壓、“一次引流”、“終生自吸”等多種功能。目前生產321、304、 316、316L、A3、PP(增強聚丙烯)等多種材質的系列整機,五種不同造型共一千余種規格。在電子、電力、化工、冶金、醫藥、食品、電鍍、環保、消防、市政、凈水、國防軍工、紡織印染、采掘選礦、民用建筑等行業中廣泛適用,深受用戶的好評。
二、獨特優點
1、采用“泵用連環式多面離心密封裝置”,革除了傳統水泵的填料密封、盤根密封、機械密封、徹底制服了“跑、冒、滴、漏”,是替代各種長軸液下泵、潛水泵等理想的設備。
2、運行過程中密封裝置不摩擦,無麿損,使用壽命較同類產品長10倍以上。
3、移植真空泵原理,自吸性能穩定可靠,特別是采用“電動空氣控制閥”,真正實現了“一次引流,終生自吸”。
4、振動小,噪音低,移動靈活,拆卸簡便、易于安裝,不需地腳固定。
5、具有優越的自控功能,可與高科技領域和高度自動化系統配套使用。

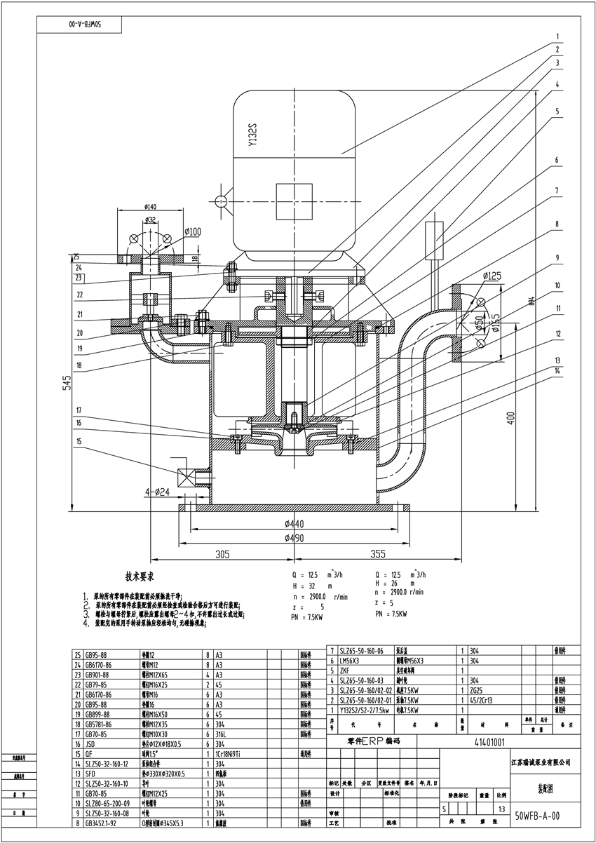
三、型號說明
50WFB-AD1
50——泵進口口徑(mm)
WFB——無密封自控自吸泵
AD1——性能分類
水泵的法蘭采用中華人民共和國國家標準制造。標準代號GB9115.2-88;GB9115.3-88。非金屬材質水泵的法蘭壓力0.6MPa;金屬材質水泵的法蘭壓力1.0MPa。本公司水泵出廠時,進出液口配一只反法蘭。
四、性能參數



五、產品實拍及使用現場





















上一篇:ZH型不銹鋼自吸泵
下一篇:ZJB型高效節能自吸泵
為您提供耐腐耐磨砂漿泵,工程塑料泵,蒸發循環泵等方面的專屬解決方案